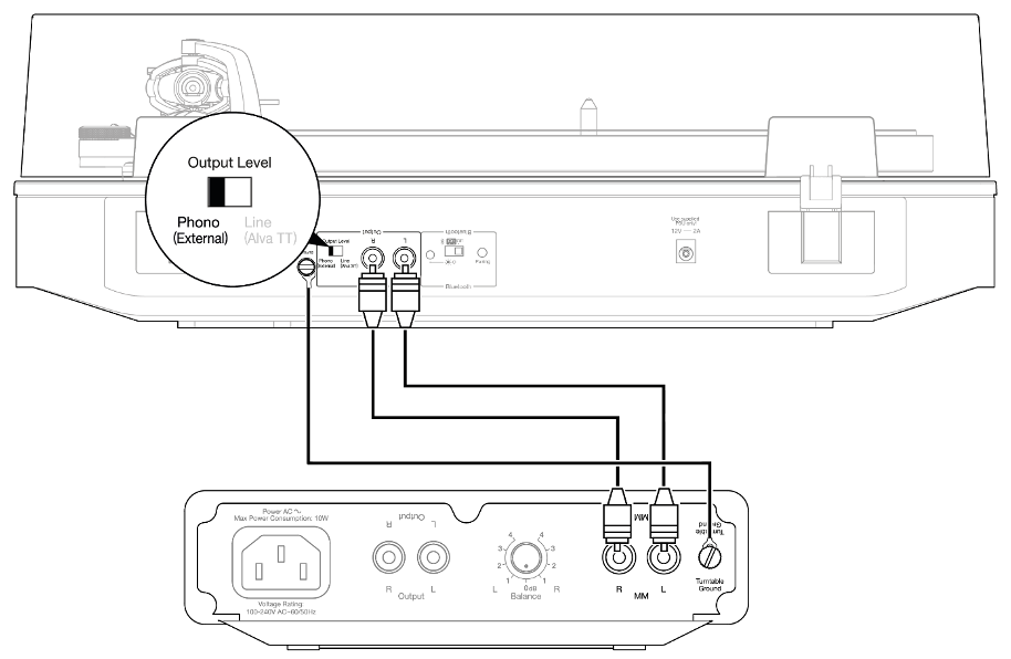
How-to guide:
1. Connect the outputs of your turntable to the MM input sockets on the Alva Solo using a high-quality RCA interconnect.
2. If your turntable uses a separate ground lead, connect this to the ground screw on the Alva Solo
This reduces any potential hum or buzzing.
3. Connect the signal output sockets of the Alva Solo to a line-level input on your amplifier.
4. Ensure that the balance control is set to the central position.
This can be adjusted later if necessary.
5. Attach the mains power lead securely to the Alva Solo and power on the unit.